PRODUCT CENTER
HOME > PRODUCT CENTER > Fiber amplifier > FF-12Fiber amplifier
FF-12Fiber amplifier
   
富达科技-Optical fiber tube FF-12Fiber amplifier Fiber amplifier-FF-12Series
GeneralType, its own R & D New chip, marking color detection.
 
 Feature
Small size, thin body, easy to install;
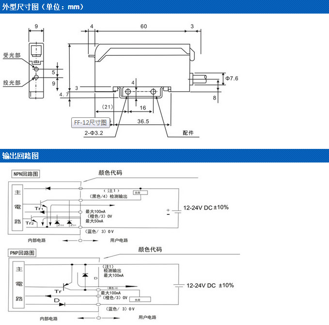
Long distance:Diffuse reflection (200mm),On the radio(1000mm);
High speed:FF-12H(50μs),FF-12(200μs);
Unique digital circuit design, self research and development of New chip, the use of imported high quality parts;
Can be transferred to 1mm to distinguish one, two each one ;
Can detect 0.03mm opaque objects;
The standard 40ms output delay, normally closed normally open choice;
There are red, Lv Guang (marking color detection), three kinds of infrared light.

Procurement
Type Red LED Green LED High-Speed
NPN OutPut FF-12 FF-12G FF-12H
PNP OutPut FF-12P FF-12GP FF-12HP
Supply voltage 12-24VDC ±10% ??????ripple P-P10%Following
Current consumption 30mA or less
Detection output NPN output type:
NPN open-collector transistor
Maximum sink current: 100mA
Voltage:30VDC or less(when detecting or between 0 to 30 VDC)
Residual voltage: 1.0V or less (current 50mA) ,4 V (current 50mA)
PNP output type:?
PNP open collector transistor
Maximum flow current:100mA
Voltage:30VDC or less(when detecting or between 0 to 30 VDC)
Surplus voltage: 2.0 V or less (current 100 mA),1.0 V (current 16 mA)
Output operation Detecting ON or not detecting ON , t ON/OFF switch choice.
Short circuit protection Polarity protection / Circuit protection
Indicator Power light: green, Output light: red
Sensitivity function 1.5 circle turn adjusting
Loading current 100mA Max.at DC 24V
Isolating impedance 20M Ω min.(DC500V)
Insulation compression
AC500V 60Hz for 60sec
Protection level IP67
Reaction time reflex:150μs
through-beam:1000μs
reflex:70μs
through-beam:300μs
reflex:40μs
through-beam:200μs
Detection distance reflex: 100mm ?????through-beam:1000mm
Reaction time 0.5ms or less((Resistance interference function 0.7ms or less)about 250μs
Timer function about 40ms OFF Delay time
Operating environment temperature -10~+50℃ (no-freezing,no-dew) Storage:-20~+70℃
Operating environment humidity 35~85%RH , Storage:-:35~85%RH
Material Shell: heat-resistant ABS, cover: polycarbonate, optical fiber fixed rod: PPS
Accessories (Amplifier mounting bracket):1A
FF-303Fiber amplifier

Back》
All rights reserved. Shenzhen baofuda Technology Co. Ltd. 粤ICP备15060745号-1 Address: 806, 8th Floor, Qinghua Information Port, Qinghua Road, Qinghu Community, Longhua Street, Longhua District, Shenzhen City, Guangdong Province  Tel:0755-25310329