|
 |
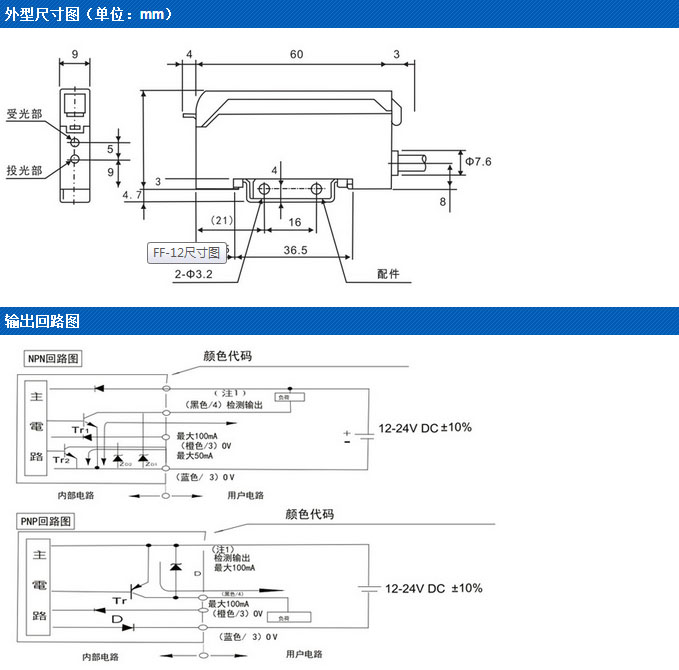
FF-12光纤放大器 光纤放大器-FF-12系列
通用型,自行研发新芯片,标记颜色检测。 |
| |
| Feature/特点 |
体积小、机身薄、安装方便;
长距离:漫反射 (200mm),对射(1000mm);
高速:FF-12H(50μs),FF-12(200μs);
独特数字电路设计 ,自行研发新芯片,采用进口优质零件;
可调到1mm分辨一张、两张各一方 ;
可检测?0.03mm不透明物体;
标配40ms输出延迟,常闭常开可选择;
有红光、绿光(标记颜色检测)、红外光三种。

 |
Procurement/订购指南
| 类型 |
红色LED |
绿色LED |
白色LED |
高速 |
| NPN输出 |
FF-12 |
FF-12G |
FF-12W |
FF-12H |
| PNP输出 |
FF-12P |
FF-12GP |
FF-12WP |
FF-12HP |
| 电源电压 |
12-24VDC ±10% 脉动 P-P10%以下 |
| 消耗电流 |
30mA以下 |
| 检测输出 |
NPN输出型:
NPN开路集电极晶体管
最大流入电流:100mA
外加电压:30VDC以下(在检测输出和0V之间)
剩余电压:1.0V以下(流入电流50mA时)0.4V以下(流入电流50mA) |
PNP输出型:
PNP开路集电极晶体管
最大流出电流:100mA
外加电压:30VDC以下(在检测输出和+V之间)
剩余电压:2.0V以下(流入电流100mA)
1.0V以下(流入电流16mA) |
| 输出操作 |
检测时ON或非监测时ON,可通过ON/OFF开关选择 |
| 短路保护 |
反极性保护/过电路保护 |
| 指示灯 |
输出指示灯:(红色) 电源指示灯:(绿色) |
| 灵敏度功能 |
1.5圈旋转调节 |
| 负载电流 |
100mA Max.at DC 24V |
| 隔离阻抗 |
20M Ω min.(DC500V) |
| 绝缘耐压 |
AC500V 60Hz for 60sec |
| 保护等级 |
IP67 |
| 反应时间 |
反射式:150μs
对射式:1000μs |
反射式:70μs
对射式:300μs |
反射式:40μs
对射式:200μs |
| 检测距离 |
反射式: 100mm 对射式:1000mm |
| 反应计时 |
0.5ms以下(使用防干扰功能时0.7ms以下)约250μs |
| 计时器功能 |
约40ms 固定OFF延迟计时 |
| 使用环境温度 |
-10~+50℃ (注意不可结露凝霜) 存储:-20~+70℃ |
| 使用环境湿度 |
35~85%RH , 储存:35~85%RH |
| 材质 |
外壳:耐热ABS , 外罩:聚碳酸酩,光纤固定杆:PPS |
| 附件 |
(放大器安装支架):1个 |
FF-303光纤放大器

返回》 |
|